PatchsTableau résumé- Matériel / Logiciel / OutilsLogiciels et langages- Pure Data- Max MSP- Isadora- EyesWeb- VVVV- Processing- UsineTraitement de données- Outils- Filtres pour capteurs- Communication OSC, ponts entre logicielsDidacticiels- Réception en Midi- Pure Data / Gem- Proxi Mini + SonMatérielAutonomes- ZIP Z Interprêteur de PatchCaptationInterfaces sans fil- Mini-HF vers Midi- WiwiInterfaces filaires- 12 Ana / 16 Num- 16 capteurs OSC- 8 Ana / 8 Num Midi 2003- 2 Analogiques- 1 AnalogiqueCapteurs autonomes- Télémètre simple- Télémètre synchro- Tapis sensitif- RFIDCapteurs simples- Capteur piezo- Capteur pyro- Capteur Vitesse Doppler- Proxi Mini + SonCommunication- Midi vers DMX- Booster / Split / MergerActionActionneurs autonomes- 2 Servo / 4 Lampes- 8 Ana Out 0-10V- 8 Servo 128 pas- 8 Servo 3500 pas- 64 LEDCommande - Cartes filles- 8 Transistors- 8 Relais 2RT / 1RT / Reed- Inversion de moteurs |
Matériel - Interfaces pour Capteurs simples8 Analogiques / 8 Numériques vers OSCPour télécharger un patch, clic droit sur l'image et choisir "Enregistrer la cible sous...".
Max MSP 4
|
|
Archive avec tous les patchs pour la carte 16 capteurs vers OSC : cap-8anaOSC_m5.zip.
Pour plus d'informations sur la configuration de la carte et des ports UDP, voyez la documentation spécifique 8-Ana_OSC.pdf.
Capteurs vers OSC |
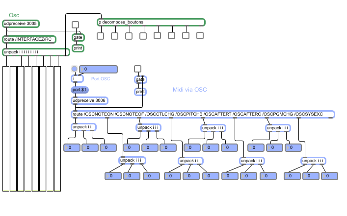
La réception des données OSC est basée sur l'objet réseau udpreceive. Le port doit correspondre à celui configuré sur la carte par les deux interrupteurs. Le port 3005 correspond à la configuration par défaut OSC3, interrupteurs 1 et 2 Off.
Les données des 8 capteurs analogiques et des 8 boutons arrivent dans un même message OSC avec l'en-tête /INTERFACEZ/RC. Elles doivent être triées par rapport à cet en-tête avec un objet route puis séparées en valeurs distinctes avec un objet unpack à 9 sorties.
Les huit premières sorties correspondent aux 8 capteurs analogiques et sont ici connectées à des multisliders configurés pour afficher 4096 valeurs. La neuvième sortie correspond à l'ensemble des entrées numérique et doit être traitée par le sous-patch decompose_boutons pour afficher individuellement l'état des huit interrupteurs.

Entrée Midi vers OSC |
La réception des données des capteurs branchés sur la carte est identique à celle du premier patch.
La réception des messages Midi qui transitent par la carte OSC utilise un autre port. Dans cet exemple le port 3006 correspond à la configuration par défaut OSC3 (de même que le port 3005 pour les capteurs branchés directement).
Cet exemple montre la réception de différents types de messages Midi : Note On, Note Off, Control Change, Pitch Bend, After Touch, Program Change, etc. Chaque message Midi correspond à un message OSC. Chaque tupe de message Midi comporte un en-tête OSC spécifique comme /OSCNOTEON, /OSCNOTEOF, OSCPGMCHG, etc (voir la doc).
Les types de messages sont triés par un objet route en fonction de leur en-tête. Chacun est ensuite décomposé en ses composantes valeur/numéro/canal (ou pitch/vélocité/canal) qui s'affichent sur des nombres.
Dans cet exemple, la réception des messages Midi est limitée à ceux utilisés sur les cartes de notre catalogue : les messages Control Change et Note On/Off. Si une de nos cartes pour capteurs, ou un capteur Midi autonome, est branché sur l'entrée Midi de la carte OSC, les messages reçus seront des Control Change et des Note. Il suffit ensuite, pour utiliser ces capteurs, de remplacer les objets ctlin dans les patchs correspondant par cette réception OSC.
Sortie OSC vers Midi |
Ce patch permet d'envoyer différents types de messages Midi à des cartes, des actionneurs, des appareils Midi branchés sur la sortie de la carte OSC. Le pilotage d'actionneurs par exemple utilise des messages Control Change et Note On, qui s'envoient avec les en-tête /OSCNOTEON et /OSCCTLCHG.
Chaque type de message (Note, etc) correspond à un en-tête de message OSC.
Chaque message Midi correspond à un message OSC.
Chaque message OSC contient les informations de valeur, numéro et canal Midi.
Pour tester le patch, choisir les valeurs / numéros / canaux Midi sur les nombres au-dessus des objets pack puis cliquer sur le Bang à gauche.
Téléchargements : |
- Patchs Max 5 pour 8-Ana OSC |